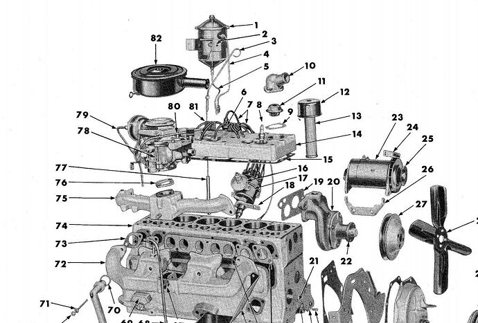
Does anyone have the part number for the vacuum advance for my 59 230 savoy so I can get the correct one?
Leonard,
You’ll find all part numbers in the Parts Manual located here.
Here are the relevant snippets - looks like 8-27-309 is the MoPar number. NAPA ought to be able to provide this part.
Dan
NAPA no longer lists it, thanks for the reply.
Almost Dan!
8-27-309 is the section it’s listed in. Not the part number ![]()
Part number is 1881 754
There is one on ebay right now for 59 ply. 6 cyl. Same part no as Matt supplied.
Dick
Yeah, what Matthew said ![]()
Curious, though - there is no 8-27-309 section (just the description, matching 8-27-308). Typo?
Yep! I noticed that too!
Typo or maybe the 58 section?
Thanks for all the help.
That’s why we are here!
