Orange Crush gets a makeover

Dad had stripped paint before he passed away 6 years ago. I’ve had her in storage ever since. Finally decided to start the restoration. Got her to run and drive down the block then I pulled the carb and had it rebuilt. Dropped the fuel tank and ordered a new sending unit from classic car auto parts Item #: S-CRPD5759 (hopefully the gas gauge will work). Had to replace ignition cylinder lock as I lost the keys. Had lock smith make new key for doors/trunk. Bought some por-15 to clean up the under side and paint it before re installing gas tank. Tank didn’t look bad inside, will clean it real good before coating exterior and re installing. Then I’ll drop the carb back on and fire her up again.
[Did a little image cropping - Editor]


Trailered her to my house.


Removed seats and carpet to assess rust.

Check the ohm readings on your fuel sender.

I had one from Vans and it went from full to half. Got one now that reads perfectly.
Thought it needed to be from 15-25 ohms to 220 ohms.

Nice Fury though! Looks solid

Got the tank in, carb on, some gasoline in the tank, 15 seconds of cranking and voila, she’s alive again. I was gonna upload the video of her running but it was taking too long.


Carb rebuilt, installed and plumbing connected.


Fuel tank cleaned, coated with POR-15 and new sending unit installed.

Did some clean up in engine bay and completed a compression test.
Cylinder 1: 94 psi.
Cylinder 2: 100 psi.
Cylinder 3: 100 psi.
Cylinder 4: 100 psi.
Cylinder 5: unknown, need to try to plug out and gauge on again tomorrow.
Cylinder 6: 100 psi.
Cylinder 7: zero PSI, put a teaspoon of oil in it and re prayed test but still 0 PSI so I’m thinking a stuck/broken valve or something?
Cylinder 8: 100 psi.


Removed hood insulation and glue.


Decreased motor.

Sounds like. Oil in the cylinder typically brings up pressure, but you wouldn’t have had zero PSI anyway with bad rings. One of the valves is remaining open, I’m guessing.

I removed the valve cover and spun the motor a few times. The valve springs were moving up and down including the #7 which has no compression. Does this indicate a broken or bent valve stem?

Hmmm… Dunno, Ted. I am officially out of my depth. I’ll PM Ricky Mopar and ask him to take a look at this thread.

Dan

I would hope it was something simple like a carbon chunk stuck under a valve holding it open.

I remove the distributor cap and mark position of the bad cylinder rotor location. firing order is 1 8 4 3 6 5 7 2.
Rotate the crankshaft to move the weak cylinder’s piston to it’s TDC top dead center. A nice thing about an A engine is it is fairly easy to see the top of the piston through the spark plug opening. Using a rubber tipped blow gun with regulated air pressure of about 10 PSI blow air into the spark plug opening ‘With the rubber tip the sealing the spark plug hole’, and listen to the intake at the carb, exhaust pipe and the oil fill opening.

Each of these indicate the direction of next diagnostic. Let us know what your diagnostic reveals and we will help direct you to the next step.

How do I tell when that piston is at TDC? Just by looking in the open spark plug hole?
How should I go about rotating crank manually? Remove v belts and stick a socket wrench on the harmonic balancer?

P.S. I was getting a lot of blow by coming out of that passenger side valve cover vent and I could feel/hear the misfire in the motor. The motor doesn’t really leak oil or coolant so if I can get by without having to yank and re build would be preferable. Not trying to do a rotisserie restoration. Just trying to have a cool car to take the family out in for ice cream and what not.

When the rotor is pointed to the wire that goes to the bad cylinder, the piston is approaching TDC (with advanced timing). Then, as Rick points out, you can see the piston head through the plug port.

It’s possible to rotate the engine by leaning on the fan belt, and tugging on the fan. It’s certainly easier with the plugs out.

Do I need to make sure the #7 piston is at TDC on the compression stroke?

Yes. At TDC, both valves should be closed for the combustion stroke.

Good job Dan. Thanks for the follow up. I understand how hard it is to articulate the procedure. I was trying to keep things simple.

Had to put the project on hold while I renovated the garage to create some storage and work area.

Now I’m back at it but I’m having trouble turning the motor by hand by pulling fan/belt.

Anyone know what size the crank nut is? The largest socket I have is 13/16 and it’s not even close, gonna have to go buy the correct size.

Ted

Ted; thinking it to be 1 1/4 socket will let you know when I get home tonight. Mark

I didn’t get any help, when I went looking here… Sorry.

All Mopars in this era use a crank bolt that has a 1 1/4" hex.

Thanks Mark, I’ll go ahead and buy a new larger socket set including a 1.25". I found some where else online that said it was a 1.25" on a truck poly motor so that should be correct.

Ted

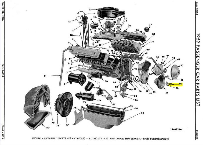
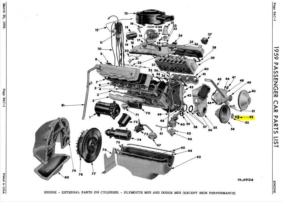
Ted; John confirmed it, he would know for sure. Dan, I like the motor exploded view. Mark

Yeah. That’s kinda how Ron Keij’s motor looks right now :stuck_out_tongue: